Product Summary
The mrf654 is an NPN silicon rf power transistor. It is designed for 12.5 Volt UHF large–signal, common emitter, class–C amplifier applications in industrial and commercial FM equipment operating to 520 MHz.
Parametrics
mrf654 absolute maximum ratings: (1)Collector–Emitter Voltage VCEO: 16.5 Vdc; (2)Collector–Emitter Voltage VCES: 38 Vdc; (3)Emitter–Base Voltage VEBO: 4.0 Vdc; (4)Collector Current — Continuous IC: 15 Adc; (5)Total Device Dissipation @ TC = 25℃ PD: 175 Watts, Derate above 25℃: 1.0 W/℃; (6)Storage Temperature Range Tstg: – 65 to +150 ℃.
Features
mrf654 features: (1)Specified 12.5 Volt, 512 MHz Characteristics, Output Power = 65 Watts, Minimum Gain = 4.15 dB, Minimum Efficiency = 50%; (2)Characterized with Series Equivalent Large-signal Impedance Parameters from 400 to 520 MHz; (3)Built-in Matching Network for Broadband Operation; (4)Triple Ion Implanted for More Consistent Characteristics; (5)Implanted Emitter Ballast Resistors for Improved Ruggedness; (6)Silicon Nitride Passivated; (7)Capable of Surviving Load Mismatch Stress at all Phase Angles with 20:1 VSWR @ 15.5 Vdc and 2.0 dB Overdrive.
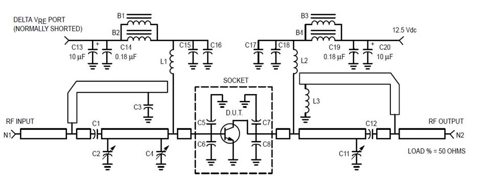
Diagrams

(Hong Kong)






