Product Summary
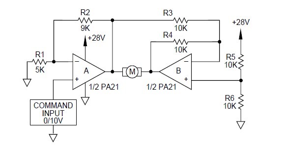
The PA26 is a power dual operational amplifier. Applications are (1)Half & full bridge motor drivers; (2)Audio power amplifier Stereo: 18W RMS per channel Bridge;36W RMS per package; (3)Ideal for single supply systems: 5V — peripherals; 12V — automotive; 28V — avionic.
Parametrics
PA26 absolute maximum ratings: (1)Supply voltage, total: 5V to 40V; (2)Output current: SOA; (3)Power dissipation, internal (per amplifier): 25W; (4)Power dissipation, internal (both amplifiers): 36W; (5)Input voltage, differential: ±VS; (6)Input voltage, common mode: +VS, -VS–.5V; (7)Junction temperature, max1: 150°C; (8)Temperature, pin solder—10 sec max: 300°C; (9)Temperature range, storage: –65°C to 150°C; (10)Operating temperature range, case: –55°C to 125°C.
Features
PA26 features: (1)Low cost; (2)Wide common mode range — includes negative supply; (3)Wide supply voltage range: Single supply: 5V to 40V; Split supplies: ±2.5V to ±20V; (4)High efficiency — |Vs–2.2V| at 2.5A typ; (5)High output current — 3A min (PA21A); (6)Internal current limit; (7)Low distortion.
Diagrams

| Image | Part No | Mfg | Description | ![]() |
Pricing (USD) |
Quantity | ||||||||||||
|---|---|---|---|---|---|---|---|---|---|---|---|---|---|---|---|---|---|---|
![]() |
![]() PA2607.151NLT |
![]() Pulse |
![]() Power Inductors SMT POWER BEAD INDUCTOR |
![]() Data Sheet |
![]()
|
|
||||||||||||
![]() |
![]() PA2607.211NLT |
![]() Pulse |
![]() Power Inductors SMT POWER BEAD INDUCTOR |
![]() Data Sheet |
![]()
|
|
||||||||||||
![]() |
![]() PA2607.231NLT |
![]() Pulse |
![]() Power Inductors SMT POWER BEAD INDUCTOR |
![]() Data Sheet |
![]()
|
|
||||||||||||
![]() |
![]() PA2648 |
![]() |
![]() DIE SET HDTV RG59/62/174/NT735 |
![]() Data Sheet |
![]()
|
|
||||||||||||
![]() |
![]() PA2649 |
![]() |
![]() DIE SET HDTV RG59/62/6/8281 |
![]() Data Sheet |
![]()
|
|
||||||||||||
![]() |
![]() PA2652 |
![]() |
![]() DIE SET FIBER OPTIC UNIVERSAL |
![]() Data Sheet |
![]()
|
|
||||||||||||
![]() PA2653 |
![]() |
![]() DIE SET FOR SM COAX RG58/MINI-59 |
![]() Data Sheet |
![]()
|
|
|||||||||||||
![]() |
![]() PA2654 |
![]() |
![]() DIE SET FIBER OPT LUCENT SC |
![]() Data Sheet |
![]()
|
|
||||||||||||
(Hong Kong)











