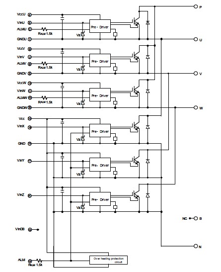
Product Summary
The 6mbp50rs120 is an IGBT-IPM.
Parametrics
6mbp50rs120 absolute maximum ratings: A1442 absolute maximum ratings: (1)Bus voltage DC, VDC: 900V; (2)Bus voltage Surge, VDC: 1000V; (3)Bus voltage Short operating, VSC: 200 to 800V; (4)Collector-Emitter voltage, VCE: 1200V; (5)Collector current DC, IC: 50A; (6)Collector current 1mS, ICP: 100A; (7)Collector current Duty=98.0%, -IC: 50A; (8)Collector power dissipation One transistor, PC: 357W; (9)Supply voltage of Pre-Driver, VCC: -0.5 to 20V; (10)Input signal voltage, VIN: -0.5 to Vcc+0.5 V; (11)Input signal current, LIN: 3mA; (12)Alarm signal voltage, VALM: -0.5 to Vcc V; (13)Alarm signal current, IALM: 20mA; (14)Junction temperature, Tj: 150℃; (15)Operating case temperature, topr: -20 to 100℃; (16)Storage temperature, Tstg: -40 to 125℃.
Features
6mbp50rs120 features: (1)Temperature protection provided by directly detecting the junction temperature of the IGBTs; (2)Low power loss and soft switching; (3)High performance and high reliability IGBT with overheating protection; (4)Both P-side and N-side alarm output available; (5)Higher reliability because of a big decrease in number of parts in built-in control circuit.
Diagrams

(Hong Kong)






