Product Summary
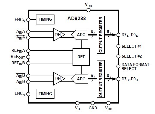
The AD9288BST is a dual 8-bit monolithic sampling analog-todigital converter with on-chip track-and-hold circuits and is optimized for low cost, low power, small size and ease of use. The AD9288BST operates at a 100 MSPS conversion rate with outstanding dynamic performance over its full operating range. Each channel can be operated independently. The AD9288BSTZ-100 requires only a single 3.0 V (2.7 V to 3.6 V) power supply and an encode clock for full-performance operation. No external reference or driver components are required for many applications. The digital outputs are TTL/CMOS compatible and a separate output power supply pin supports interfacing with 3.3 V or 2.5 V logic. Fabricated on an advanced CMOS process, the AD9288BST is available in a 48-lead surface mount plastic package specified over the industrial temperature range (–40℃ to +85℃). Applications of the AD9288BST are: Battery Powered Instruments, Hand-Held Scopemeters, Low Cost Digital Oscilloscopes, I and Q Communications.
Parametrics
AD9288BST absolute maximum ratings: (1)VD, VDD: +4 V; (2)Analog Inputs: -0.5 V to VD + 0.5 V; (3)Digital Inputs: -0.5 V to VDD + 0.5 V; (4)VREF IN: -0.5 V to VD + 0.5 V; (5)Digital Output Current: 20 mA; (6)Operating Temperature: -55℃ to +125℃; (7)Storage Temperature: -65℃ to +150℃; (8)Maximum Junction Temperature: 175℃; (9)Maximum Case Temperature: 150℃.
Features
AD9288BST features: (1)Dual 8-Bit, 40 MSPS, 80 MSPS, and 100 MSPS ADC; (2)Low Power: 90 mW at 100 MSPS per Channel; (3)On-Chip Reference and Track/Holds; (4)475 MHz Analog Bandwidth Each Channel; (5)SNR = 47 dB @ 41 MHz; (6)1 V p-p Analog Input Range Each Channel; (7)Single +3.0 V Supply Operation (2.7 V–3.6 V); (8)Standby Mode for Single Channel Operation; (9)Twos Complement or Offset Binary Output Mode; (10)Output Data Alignment Mode.
Diagrams

| Image | Part No | Mfg | Description | ![]() |
Pricing (USD) |
Quantity | ||||||||||||||||||
|---|---|---|---|---|---|---|---|---|---|---|---|---|---|---|---|---|---|---|---|---|---|---|---|---|
![]() |
![]() AD9288BST-100 |
![]() Analog Devices Inc |
![]() IC ADC 8BIT DUAL 100MSPS 48-LQFP |
![]() Data Sheet |
![]() Negotiable |
|
||||||||||||||||||
![]() |
![]() AD9288BST-40 |
![]() Analog Devices Inc |
![]() IC ADC 8BIT DUAL 40MSPS 48-LQFP |
![]() Data Sheet |
![]() Negotiable |
|
||||||||||||||||||
![]() |
![]() AD9288BSTZ-40 |
![]() |
![]() IC ADC 8BIT DUAL 40MSPS 48-LQFP |
![]() Data Sheet |
![]()
|
|
||||||||||||||||||
![]() |
![]() AD9288BSTZ-80 |
![]() |
![]() IC ADC 8BIT DUAL 80MSPS 48-LQFP |
![]() Data Sheet |
![]()
|
|
||||||||||||||||||
![]() |
![]() AD9288BSTZ-100 |
![]() |
![]() IC ADC 8BIT DUAL 100MSPS 48-LQFP |
![]() Data Sheet |
![]()
|
|
||||||||||||||||||
![]() |
![]() AD9288BST-80 |
![]() Analog Devices Inc |
![]() IC ADC 8BIT DUAL 80MSPS 48-LQFP |
![]() Data Sheet |
![]() Negotiable |
|
||||||||||||||||||
![]() |
![]() AD9288BSTZRL-40 |
![]() |
![]() IC ADC 8BIT DUAL 40MSPS 48LQFP |
![]() Data Sheet |
![]() Negotiable |
|
||||||||||||||||||
(Hong Kong)










