Product Summary
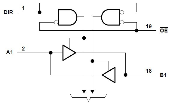
The HA245 is an octal bus transceiver is designed for asynchronous two-way communication between data buses. The control-function implementation minimizes external timing requirements. The HA245 allows data transmission from the A bus to the B bus or from the B bus to the A bus, depending on the logic level at the direction-control (DIR) input. The output-enable (OE) input can be used to disable the device so that the buses are effectively isolated. To ensure the high-impedance state during power up or power down, OE should be tied to VCC through a pullup resistor; the minimum value of the resistor is determined by the current-sinking capability of the driver.
Parametrics
HA245 absolute maximum ratings: (1)Supply voltage range, VCC: –0.5 V to 7 V; (2)Input voltage range, VI: Control inputs: –0.5 V to 7 V; (3)I/O, Output voltage range, VO: –0.5 V to VCC + 0.5 V; (4)Input clamp current, IIK (VI < 0): Control inputs: –20 mA; (5)I/O, Output clamp current, IOK (VO < 0 or VO > VCC): ±20 mA; (6)Continuous output current, IO (VO = 0 to VCC): ±25 mA; (7)Continuous current through VCC or GND: ±75 mA; (8)Package thermal impedance, θJA (see Note 2): DB package: 70℃/W; DGV package: 92℃/W; DW package: 58℃/W; N package: 69℃/W; PW package: 83℃/W; (9)Storage temperature range, Tstg: –65℃ to 150℃.
Features
HA245 features: (1)Operating Range 2-V to 5.5-V VCC; (2)Latch-Up Performance Exceeds 250 mA Per JESD 17.
Diagrams

![]() |
![]() HA24-0.5-A |
![]() Power-One |
![]() Linear and Switching Power Supplies 24V/.5A ADJ OUT |
![]() Data Sheet |
![]() Negotiable |
|
||||||
![]() |
![]() HA24-0.5-A+ |
![]() Condor / SL Power |
![]() Linear and Switching Power Supplies 24V 0.5A |
![]() Data Sheet |
![]() Negotiable |
|
||||||
![]() |
![]() HA24-0.5-AG |
![]() Power-One |
![]() Linear and Switching Power Supplies |
![]() Data Sheet |
![]() Negotiable |
|
||||||
![]() |
![]() HA24-0.5-A+G |
![]() Condor / SL Power |
![]() Linear and Switching Power Supplies 24V 0.5A |
![]() Data Sheet |
![]()
|
|
||||||
(Hong Kong)









