Product Summary
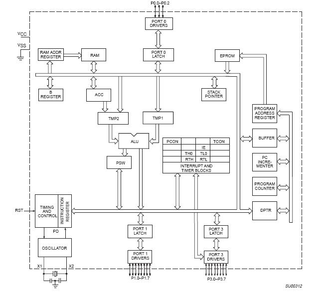
The P87C750EBPN is an 8-bit microcontroller. The P87C750EBPN is fabricated with Philips high-density CMOS technology. Philips epitaxial substrate minimizes CMOS latch-up sensitivity. The P87C750EBPN contains a 1k×8 EPROM, a 64×8 RAM, 19 I/O lines, a 16-bit auto-reload counter/timer, a five-source, fixed-priority level interrupt structure and an on-chip oscillator.
Parametrics
P87C750EBPN absolute maximum ratings: (1)Storage temperature range: –65 to +150℃; (2)Voltage from VCC to VSS: –0.5 to +6.5 V; (3)Voltage from any pin to VSS (except VPP): –0.5 to VCC + 0.5V; (4)Power dissipation: 1.0W; (5)Voltage on VPP pin to VSS: 0 to +13.0V; (6)Maximum IOL per I/O pin: 10mA.
Features
P87C750EBPN features: (1)80C51 based architecture; (2)Oscillator frequency range梪p to 16MHz; (3)Small package sizes; (4)24-pin DIP (300 mil :skinny DIP"; (5)24-pin Shrink Small Outline Package; (6)28-pin PLCC; (7)87C750 available in one-time programmable plastic packages; (8)Low power consumption:; (9)Normal operation: less than 11mA @ 5V, 12MHz; (10)Idle mode; (11)Power-down mode; (12)1k×8 EPROM (87C750); (13)64×8 RAM; (14)16-bit auto reload able counter/timer; (15)Boolean processor; (16)CMOS and TTL compatible; (17)Well suited for logic replacement, consumer and industrial applications; (18)LED drive outputs.
Diagrams

![]() |
![]() P87C251SA16 |
![]() |
![]() IC MCU 8-BIT 8K 16MHZ OTP 40-DIP |
![]() Data Sheet |
![]() Negotiable |
|
||||
![]() |
![]() P87C251SB16 |
![]() |
![]() IC MCU 8-BIT 16K 16MHZ OTP 40DIP |
![]() Data Sheet |
![]() Negotiable |
|
||||
![]() |
![]() P87C251SP16 |
![]() |
![]() IC MCU 8-BIT 8K 16MHZ OTP 40-DIP |
![]() Data Sheet |
![]() Negotiable |
|
||||
![]() P87C251SQ16 |
![]() |
![]() IC MCU 8-BIT 16K 16MHZ OTP 40DIP |
![]() Data Sheet |
![]() Negotiable |
|
|||||
![]() |
![]() P87C42 |
![]() |
![]() IC MCU UNIV PERIF INTERFAC 40DIP |
![]() Data Sheet |
![]() Negotiable |
|
||||
![]() |
![]() P87C453EBAA |
![]() Other |
![]() |
![]() Data Sheet |
![]() Negotiable |
|
||||
(Hong Kong)








