Product Summary
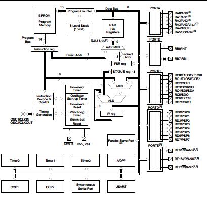
The PIC16C74A-20/p is a low cost, high performance, CMOS, fully-static, 8-bit micro-controller. The PICmicro microcontrollers employs an advanced RISC architecture. The PIC16C74A-20/p has enhanced core features, eight-level deep stack and multiple internal and external interrupt sources. The separate instruction and data buses of the Harvard architecture allow a 14-bit wide instruction word with the separate 8-bit wide data. The two stage instruction pipeline allows all instructions to execute in a single cycle, except for program branches, which require two cycles.
Parametrics
PIC16C74A-20/p absolute maximum ratings: (1)Ambient temperature under bias: -55℃ to +125℃; (2)Storage temperature: -65℃ to +150℃; (3)Voltage on any pin with respect to VSS(except VDD, MCLRand RA4):-0.3V to (VDD+ 0.3V); (4)Voltage on VDDwith respect to VSS: -0.3V to +7.5V; (5)Voltage on MCLRwith respect to VSS: 0V to +13.25V; (6)Voltage on RA4 with respect to VSS: 0V to +8.5V; (7)Total power dissipation: 1.0W; (8)Maximum current out of VSSpin: 300 mA; (9)Maximum current into VDDpin: 250 mA; (10)Input clamp current, IIK(VI< 0 or VI> VDD): ±20 mA; (11)Output clamp current, IOK(VO< 0 or VO> VDD): ±20 mA; (12)Maximum output current sunk by any I/O pin: 25 mA; (13)Maximum output current sourced by any I/O pin: 25 mA; (14)Maximum current sunk by PORTA, PORTB, and PORTE(Note 3)(combined): 200 mA; (15)Maximum current sourced by PORTA, PORTB, and PORTE: 200 mA; (16)Maximum current sunk by PORTC and PORTD: 200 mA; (17)Maximum current sourced by PORTC and PORTD: 200 mA.
Features
PIC16C74A-20/p features: (1)High performance RISC CPU; (2)Only 35 single word instructions to learn; (3)All single cycle instructions except for program branches which are two cycle; (4)Operating speed: DC - 20 MHz clock input DC - 200 ns instruction cycle; (5)4 K x 14 words of Program Memory, 192 x 8 bytes of Data Memory (RAM); (6)Interrupt capability; (7)Eight-level deep hardware stack; (8)Direct, indirect and relative addressing modes; (9)Power-on Reset (POR); (10)Power-up Timer (PWRT) and Oscillator Start-up Timer (OST) ; (11)Watchdog Timer (WDT) with its own on-chip RC oscillator for reliable operation; (12)Programmable code protection; (13)Power-saving SLEEP mode; (14)Selectable oscillator options; (15)Low power, high speed CMOS EPROM technology; (16)Wide operating voltage range: 2.5V to 5.5V; (17)High Sink/Source Current 25/25 mA; (18)Commercial, Industrial and Automotive temperature ranges; (19)Low power consumption: - < 5 mA @ 5V, 4 MHz; -23 μA typical @ 3V, 32 kHz; -< 1.2 μA typical standby current.
Diagrams

| Image | Part No | Mfg | Description | ![]() |
Pricing (USD) |
Quantity | ||||||||||||
|---|---|---|---|---|---|---|---|---|---|---|---|---|---|---|---|---|---|---|
![]() |
![]() PIC16C74A-20/P |
![]() Microchip Technology |
![]() 8-bit Microcontrollers (MCU) 7KB 192 RAM 33 I/O |
![]() Data Sheet |
![]()
|
|
||||||||||||
![]() |
![]() PIC16C74A-20/PQ |
![]() Microchip Technology |
![]() 8-bit Microcontrollers (MCU) 7KB 192 RAM 33 I/O |
![]() Data Sheet |
![]()
|
|
||||||||||||
![]() |
![]() PIC16C74A-20/PT |
![]() Microchip Technology |
![]() 8-bit Microcontrollers (MCU) 7KB 192 RAM 33 I/O |
![]() Data Sheet |
![]()
|
|
||||||||||||
(Hong Kong)









