Product Summary
The bgy136 is a two-stage broadband RF amplifier module in a SOT132B package. The bgy136 consists of two NPN transistor dies together with lumped-element matching components. Application of the bgy136 includes Mobile communication equipment operating directl from 12V vehicle electrical systems.
Parametrics
bgy136DC absolute maximum ratings: (1) supply voltage VS1: 15.6V; (2) DC supply voltage VS2: 15.6V; (3) RF input voltage Vi: 25V; (4) RF output voltage Vo: 25V; (5) input drive power PD: 300mW; (6) load power PL: 25W; (7) storage temperature Tstg: -40 to +100°C; (8) heatsink operating temperature Th: -20 to +90°C.
Features
bgy136 features: (1) 12.5V nominal supply voltage; (2) 18W output power.
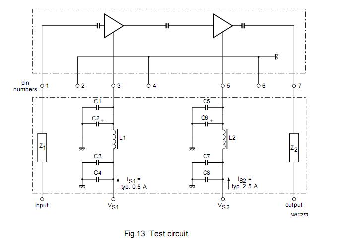
Diagrams

(Hong Kong)






