Product Summary
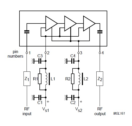
The bgy925/5 is a UHF amplifier module. The bgy925/5 is a three-stage UHF amplifier module in a SOT365A package. The bgy925/5 consists of one NPN silicon planar transistor die and two silicon MOSFET dies mounted on a metallized ceramic AlN substrate, together with matching and bias circuitry.
Parametrics
bgy925/5 absolute maximum ratings: (1)VS1 DC supply voltage: 28 V; (2)VS2 DC supply voltage: 28 V; (3)PD input drive power: 80 mW; (4)PL load power: 32 W; (5)Tstg storage temperature: -30 to +100℃; (6)Tmb operating mounting-base temperature: -10 to +90℃.
Features
bgy925/5 features: (1)26 V nominal supply voltage; (2)23 W output power into a load of 50 W with an RF drive power of 36 mW.
Diagrams

(Hong Kong)






