Product Summary
The mhw6222 is a 550MHz CATV Amplifier designed specifically for 550 MHz CATV applications. The mhw6222 features ion–implanted arsenic emitter transistors with 7.0 GHz fT and an all gold metallization system.
Parametrics
mhw6222 absolute maximum ratings: (1)RF Voltage Input (Single Tone) Vin: +60 dBmV; (2)DC Supply Voltage VCC: +28 Vdc; (3)Operating Case Temperature Range TC: –20 to +100 ℃; (4)Storage Temperature Range Tstg: –40 to +100 ℃.
Features
mhw6222 features: (1)Specified for 77-Channel Performance; (2)Broadband Power Gain-@ f = 40-550 MHz, Gp = 22 dB (Typ) @ 50 MHz; 22 dB (Min) @ 550 MHz; (3)Broadband Noise Figure @ 550 MHz, NF = 6.0 dB (Max); (4)Superior Gain, Return Loss and DC Current Stability with Temperature; (5)All Gold Metallization; (6)7.0 GHz Transistors.
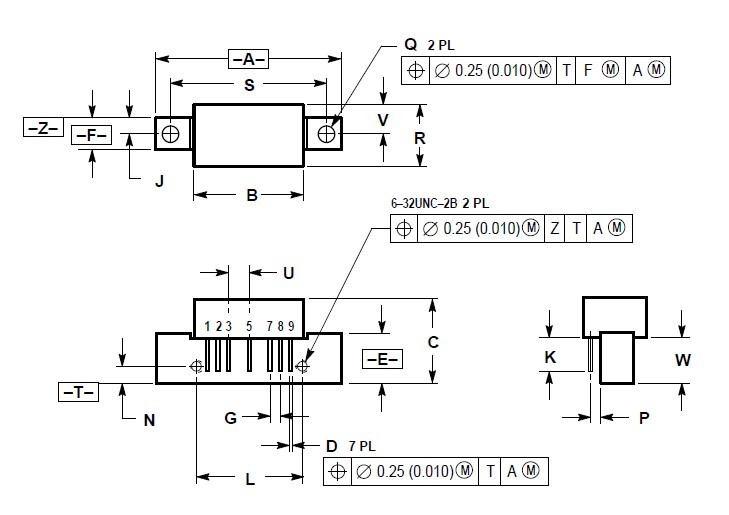
Diagrams

| Image | Part No | Mfg | Description | ![]() |
Pricing (USD) |
Quantity | ||||
|---|---|---|---|---|---|---|---|---|---|---|
![]() |
![]() MHW6222 |
![]() Other |
![]() |
![]() Data Sheet |
![]() Negotiable |
|
||||
| Image | Part No | Mfg | Description | ![]() |
Pricing (USD) |
Quantity | ||||
![]() |
![]() MHW6122 |
![]() Other |
![]() |
![]() Data Sheet |
![]() Negotiable |
|
||||
![]() |
![]() MHW6142 |
![]() Other |
![]() |
![]() Data Sheet |
![]() Negotiable |
|
||||
![]() |
![]() MHW6172 |
![]() Other |
![]() |
![]() Data Sheet |
![]() Negotiable |
|
||||
![]() |
![]() MHW6182 |
![]() Other |
![]() |
![]() Data Sheet |
![]() Negotiable |
|
||||
![]() |
![]() MHW6182-6 |
![]() Other |
![]() |
![]() Data Sheet |
![]() Negotiable |
|
||||
![]() |
![]() MHW6185-6A |
![]() Other |
![]() |
![]() Data Sheet |
![]() Negotiable |
|
||||
(Hong Kong)









