Product Summary
The MRF19060R5 is a RF power field effect transistor.
Parametrics
MRF19060R5 absolute maximum ratings: (1)Drain–Source Voltage: 65 Vdc; (2)Gate–Source Voltage: –0.5 to +15 Vdc; (3)Total Device Dissipation @ TC ≥ = 25°C: 180 Watts; (4)Total Device Dissipation @ Derate above 25°C: 1.03 W/°C; (5)Storage Temperature Range: –65 to +150 °C; (6)Operating Junction Temperature: 200 °C.
Features
MRF19060R5 features: (1)Typical CDMA Performance: 1960 MHz, 26 Volts IS–97 CDMA Pilot, Sync, Paging, Traffic Codes 8 Through 13 Output Power — 7.5 Watts; Power Gain — 12.5 dB; Adjacent Channel Power — 885 kHz: –47 dBc @ 30 kHz BW; 1.25 MHz: –55 dBc @ 12.5 kHz BW; 2.25 MHz: –55 dBc @ 1 MHz BW; (2)Internally Matched, Controlled Q, for Ease of Use; (3)High Gain, High Efficiency and High Linearity; (4)Integrated ESD Protection; (5)Designed for Maximum Gain and Insertion Phase Flatness; (6)Capable of Handling 10:1 VSWR, @ 26 Vdc, 1.93 GHz, 60 Watts CW Output Power; (7)Excellent Thermal Stability; (8)Characterized with Series Equivalent Large–Signal Impedance Parameters; (9)Available in Tape and Reel. R3 Suffix = 250 Units per 56 mm, 13 Inch Reel.
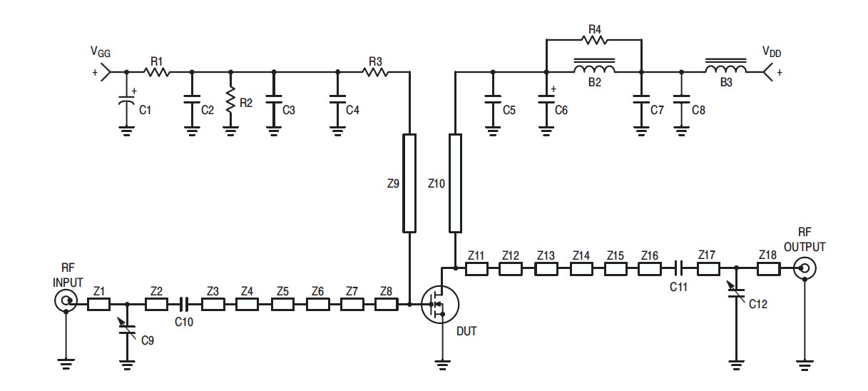
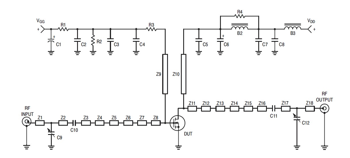
Diagrams

(Hong Kong)






