Product Summary
The mrf21085l is an N-Channel Enhancement -Mode Lateral MOSFET. Designed for W-CDMA base station applications with frequencies from 2110 to 2170 MHz. Suitable for TDMA, CDMA and multicarrier amplifier applications. To be used in Class AB for PCN - PCS/cel lular radio and WLL applications.
Parametrics
mrf21085l absolute maximum ratings: (1)Drain-Source Voltage, VDSS: -0.5, +65 Vdc; (2)Gate-Source Voltage, VGS: -0.5, +15 Vdc; (3)Total Device Dissipation,PD: 224W @ TC = 25°C; 1.28W/°C; (4)Derate above 25°C; (5)Storage Temperature Range, Tstg: - 65 to +150 °C; (6)Case Operating Temperature, TC: 150 °C; (7)Operating Junction Temperature, TJ: 200 °C.
Features
mrf21085l features: (1)Internally Matched for Ease of Use; (2)High Gain, High Efficiency and High Linearity; (3)Integrated ESD Protection; (4)Designed for Maximum Gain and Insertion Phase Flatness; (5)Excellent Thermal Stability; (6)Characterized with Series Equivalent Large-Signal Impedance Parameters; (7)Available with Low Gold Plating Thickness on Leads. L Suffix Indicates 40μ″ Nominal; (8)RoHS Compliant; (9)In Tape and Reel. R3 Suffix = 250 Units per 56 mm, 13 inch Reel.
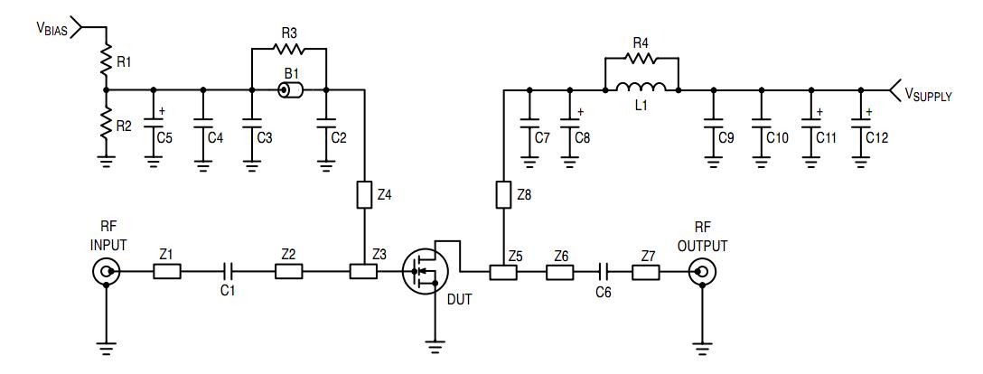
Diagrams

| Image | Part No | Mfg | Description | ![]() |
Pricing (USD) |
Quantity | ||||
|---|---|---|---|---|---|---|---|---|---|---|
![]() |
![]() MRF21085LSR3 |
![]() |
![]() IC MOSFET RF N-CHAN NI-780S |
![]() Data Sheet |
![]() Negotiable |
|
||||
![]() |
![]() MRF21085LSR5 |
![]() |
![]() IC MOSFET RF N-CHAN NI-780S |
![]() Data Sheet |
![]() Negotiable |
|
||||
(Hong Kong)









