Product Summary
The mrf284l is a RF power field effect transistor. It is designed for PCN and PCS base station applications at frequencies from 1000 to 2600 MHz. The mrf284l is suit for FM, TDMA, CDMA, and multicarrier amplifier applications. To be used in class A and class AB for PCN–PCS/cellular radio and wireless local loop.
Parametrics
mrf284l absolute maximum ratings: (1)Drain–Source Voltage VDSS: 65 Vdc; (2)Gate–Source Voltage VGS: ±20 Vdc; (3)Total Device Dissipation PD @ TC = 25℃: 87.5 Watts; Derate above 25℃: 0.5 W/℃; (4)Storage Temperature Range Tstg: –65 to +150 ℃; (5)Operating Junction Temperature TJ: 200 ℃.
Features
mrf284l features: (1)Specified Two-tone Performance @ 2000 MHz, 26 Volts; (2)Typical Single-tone Performance at 2000 MHz, 26 Volts; (3)Characterized with Series Equivalent Large-signal Impedance Parameters; (4)S-parameter Characterization at High Bias Levels; (5)Excellent Thermal Stability; (6)Capable of Handling 10:1 VSWR, @ 26 Vdc, 2000 MHz, 30 Watts (CW)Output Power.
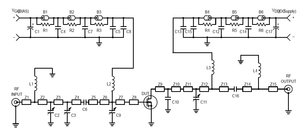
Diagrams

| Image | Part No | Mfg | Description | ![]() |
Pricing (USD) |
Quantity | ||||
|---|---|---|---|---|---|---|---|---|---|---|
![]() |
![]() MRF284LR1 |
![]() Other |
![]() |
![]() Data Sheet |
![]() Negotiable |
|
||||
![]() |
![]() MRF284LSR1 |
![]() Other |
![]() |
![]() Data Sheet |
![]() Negotiable |
|
||||
(Hong Kong)









