Product Summary
The mrf449a is an NPN silicon rf power transistor. It is designed for power amplifier application in industrial, commercial and amateur radio equipment to 30MHz.
Parametrics
mrf449a absolute maximum ratings: (1)Collector–Emitter Voltage VCEO: 20 Vdc; (2)Collector–Base Voltage VCBO: 40 Vdc; (3)Emitter–Base Voltage VEBO: 4.0 Vdc; (4)Total Device Dissipation @ TC = 25℃ PD: 60 Watts, Derate above 25℃: 343 W/℃; (5)Storage Temperature Range Tstg: – 65 to +150 ℃.
Features
mrf449a features: (1)Specified 12.5 Volts, 30MHz characteristics: output power=30 Watts, Minimum gain=12 dB, Efficiency=50%.
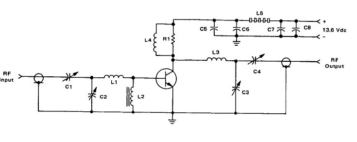
Diagrams

(Hong Kong)






