Product Summary
The mrf454a is an NPN silicon rf power transistor. It is designed for power amplifier applications industrial, commercial and amateur radio equipment to 30MHz.
Parametrics
mrf454a absolute maximum ratings: (1)Collector–Emitter Voltage VCEO: 20 Vdc; (2)Collector–Base Voltage VCBO: 40 Vdc; (3)Emitter–Base Voltage VEBO: 4.0 Vdc; (4)Collector Current — Continuous IC: 7.5 Adc; (5)Total Device Dissipation @ TC = 25℃ PD: 115 Watts, Derate above 25℃: 0.66 W/℃; (6)Storage Temperature Range Tstg: – 65 to +150 ℃.
Features
mrf454a features: (1)Specified 12.5 Volts, 30MHz characteristics: output power=50 Watts, Minimum gain=11 dB, Efficiency=50%.
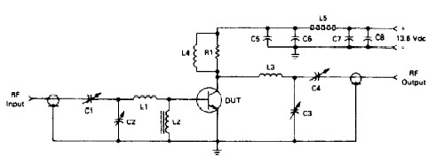
Diagrams

(Hong Kong)






