Product Summary
The mrf6v2300nb is a RF power field effect transistor. Designed primarily for CW large -signal output and driver applications with frequencies up to 600 MHz. The mrf6v2300nb is unmatched and is suitable for use in industrial, medical and scientific applications.
Parametrics
mrf6v2300nb absolute maximum ratings: (1)Drain-Source Voltage, VDSS: -0.5, +110 Vdc; (2)Gate-Source Voltage, VGS: -0.5, +10 Vdc; (3)Storage Temperature Range, Tstg: - 65 to +150℃; (4)Case Operating Temperature, TC: 150℃; (5)Operating Junction Temperature, TJ: 200℃.
Features
mrf6v2300nb features: (1)Integrated ESD Protection; (2)Excellent Thermal Stability; (3)Facilitates Manual Gain Control, ALC and Modulation Techniques; (4)200℃ Capable Plastic Package; (5)RoHS Compliant; (6)In Tape and Reel. R1 Suffix = 500 Units per 44 mm, 13 inch Reel.
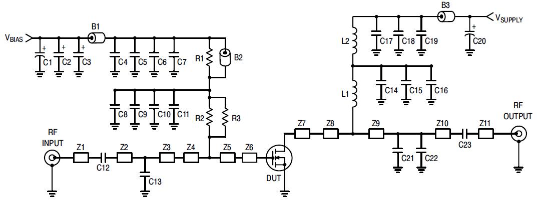
Diagrams

| Image | Part No | Mfg | Description | ![]() |
Pricing (USD) |
Quantity | ||||||||||||
|---|---|---|---|---|---|---|---|---|---|---|---|---|---|---|---|---|---|---|
![]() |
![]() MRF6V2300NBR1 |
![]() Freescale Semiconductor |
![]() Transistors RF MOSFET Power VHV6 300W TO272WB4N |
![]() Data Sheet |
![]()
|
|
||||||||||||
![]() |
![]() MRF6V2300NBR5 |
![]() Freescale Semiconductor |
![]() Transistors RF MOSFET Power VHV6 300W Latrl N-Ch SE Broadband MOSFET |
![]() Data Sheet |
![]()
|
|
||||||||||||
(Hong Kong)









