Product Summary
The mrf897 is a RF power transistor. Designed for 24 Volt UHF large–signal, common emitter, class–AB linear amplifier applications in industrial and commercial FM/AM equipment operating in the range 800–970 MHz.
Parametrics
mrf897 absolute maximum ratings: (1)Collector–Emitter Voltage VCEO: 30 Vdc; (2)Collector–Emitter Voltage VCES: 60 Vdc; (3)Emitter–Base Voltage VEBO: 4.0 Vdc; (4)Collector–Current — Continuous IC: 4.0 Adc; (5)Total Device Dissipation, PD: 105W @ TC = 25°C; 0.60W/°C Derate above 25°C; (6)Storage Temperature Range Tstg: –65 to +150 °C.
Features
mrf897 features: (1)Characterized with Series Equivalent Large–Signal Parameters from 800 to 960 MHz; (2)Silicon Nitride Passivated; (3)100% Tested for Load Mismatch Stress at all Phase Angles with 5:1 VSWR @ 26 Vdc, and Rated Output Power; (4)Gold Metalized, Emitter Ballasted for Long Life and Resistance to Metal–Migration; (5)Circuit board photomaster available upon request by contacting RF Tactical Marketing in Phoenix, AZ.
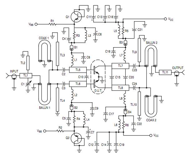
Diagrams

| Image | Part No | Mfg | Description | ![]() |
Pricing (USD) |
Quantity | ||||
|---|---|---|---|---|---|---|---|---|---|---|
![]() |
![]() MRF897R |
![]() Other |
![]() |
![]() Data Sheet |
![]() Negotiable |
|
||||
![]() |
![]() MRF897 |
![]() Other |
![]() |
![]() Data Sheet |
![]() Negotiable |
|
||||
(Hong Kong)









