Product Summary
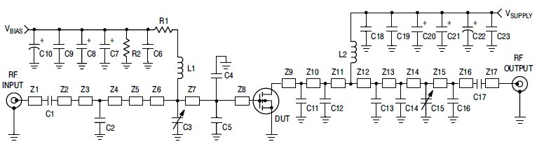
The mrfe6s9125n is an N-Channel Enhancement-Mode Lateral MOSFET designed for broadband commercial and industrial applications with frequencies up to 1000 MHz. The high gain and broadband performance of the mrfe6s9125n make it ideal for large-signal, common-source amplifier applications in 28 volt base station equipment.
Parametrics
mrfe6s9125n absolute maximum ratings: (1)Drain-Source Voltage VDSS: -0.5, +66 Vdc; (2)Gate-Source Voltage VGS: -0.5, +12 Vdc; (3)Maximum Operation Voltage VDD: 32, +0 Vdc; (4)Storage Temperature Range Tstg: - 65 to +150 ℃; (5)Case Operating Temperature TC: 150 ℃; (6)Operating Junction Temperature (1,2) TJ: 225 ℃.
Features
mrfe6s9125n features: (1)Characterized with Series Equivalent Large-Signal Impedance Parameters; (2)Internally Matched for Ease of Use; (3)Integrated ESD Protection; (4)225℃ Capable Plastic Package; (5)RoHS Compliant; (6)In Tape and Reel. R1 Suffix = 500 Units per 44 mm, 13 inch Reel.
Diagrams

| Image | Part No | Mfg | Description | ![]() |
Pricing (USD) |
Quantity | ||||||||||||
|---|---|---|---|---|---|---|---|---|---|---|---|---|---|---|---|---|---|---|
![]() |
![]() MRFE6S9125NBR1 |
![]() Freescale Semiconductor |
![]() Transistors RF MOSFET Power HV6E 125W |
![]() Data Sheet |
![]()
|
|
||||||||||||
![]() |
![]() MRFE6S9125NR1 |
![]() Freescale Semiconductor |
![]() Transistors RF MOSFET Power HV6E 125W |
![]() Data Sheet |
![]()
|
|
||||||||||||
(Hong Kong)










