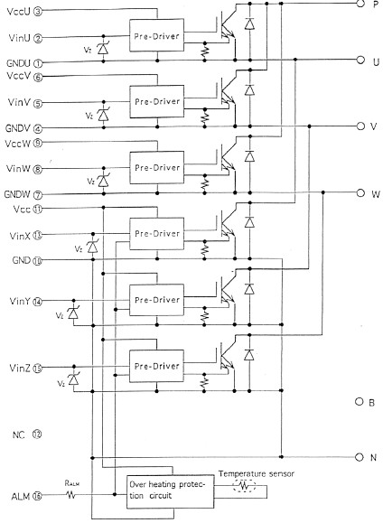
Product Summary
The 6mbp50na060 is an Intelligent Power Module.
Parametrics
6mbp50na060 absolute maximum ratings: (1)DC bus voltage VDC: min=0, max=450V; (2)DC bus voltage (surge) VDC(surge): min=0, max=500V; (3)DC bus voltage (short operating) VSC: min=200V, max=400V; (4)Collector-Emitter voltage VCES: min=0, max=600V; (5)Junction temperature Tj: max=150℃; (6)Input voltage of power supply for Pre-Driver VCC *1: min=0, max=20V; (7)Input signal voltage Vin *2: min=0, max=VzV; (8)Input signal current Iin: max=1mA; (9)Alarm signal voltage VALM *3: min=0, max=VccV; (10)Alarm signal current IALM *4: max=15mA; (11)Storage temperature Tstg: min=-40℃, max=125℃; (12)Operating case temperature Top: min=-20℃, max=100℃.
Features
6mbp50na060 features: (1)On the conditons of VCE=600V, Collector current at off signal input ICES: max=1.0mA; (2)On the conditons of IC=50A, Collector-emitter saturation voltage VCE(sat): max=2.9V; (3)On the conditons of -IC=50A, Forward voltage of FWD VF: max=3.0V.
Diagrams

(Hong Kong)






