Product Summary
The mig75j101hd is a silicon N channel IGBT. The mig75j101hd is ideal for high power switching applications and motor control applications.
Parametrics
mig75j101hd absolute maximum ratings: (1)Supply voltage P-N power terminal VCC: 450 V; (2)Collector-emitter voltage VCES: 600 V; (3)Collector current Tc = 25°C, DC IC: 75 A; (4)Forward current Tc = 25°C, DC IF: 75 A; (5)Collector power dissipation Tc = 25°C PC: 195 W; (6)Junction temperature Tj: 150 °C; (7)Supply voltage P-N power terminal VCC: 450 V; (8)Collector-emitter voltage VCES: 600 V; (9)Collector current Tc = 25°C, DC IC: 30 A; (10)Reverse voltage VR: 600 V; (11)Forward current Tc = 25°C, DC IF: 30 A; (12)Collector power dissipation Tc = 25°C PC 80 W; (13)Junction temperature Tj: 150 °C; (14)Control supply voltage VD-GND te: rminal VD: 20 V; (15)Input voltage IN-GND terminal VIN: 20 V; (16)Fault output voltage FO-GND (L)terminal VFO: 20 V; (17)Fault output current FO sink current IFO: 14 mA; (18)Operating temperature TC: -20 ~ +100 °C; (19)Storage temperature range Tstg: -40 ~ +125 °C; (20)Isolation voltage AC 1 minute VISO: 2500 V.
Features
mig75j101hd features: (1)Integrates inverter, brake power circuits & control circuits (IGBT drive units, protection units for over-current, under-voltage & over-temperature)in one package; (2)The electrodes are isolated from case; (3)High speed type IGBT : VCE (sat)= 2.5 V (Max), toff = 3.0 μs (Max), trr = 0.30 μs (Max); (4)Package dimensions : TOSHIBA 2-110A1A; (5)Weight : 520 g.
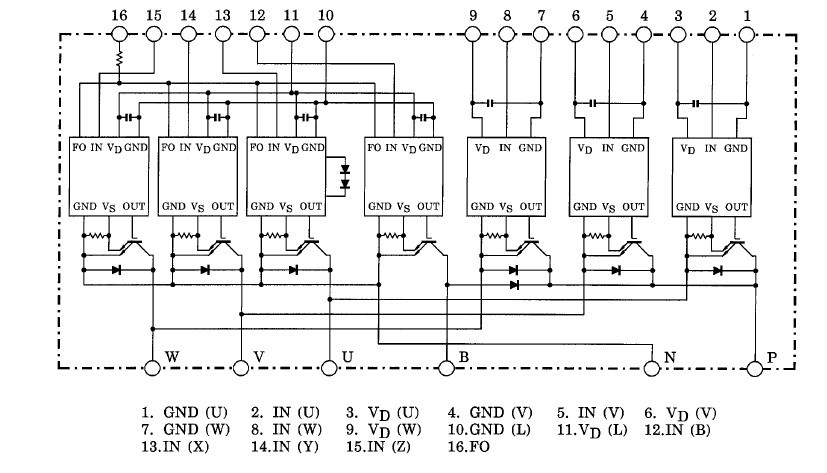
Diagrams

(Hong Kong)






