Product Summary
The BGF1901-10 is a GSM1900 EDGE power module. The applications of it are Base station RF power amplifiers in the 1930 to 1990 MHz frequency range, GSM, GSM EDGE, multi carrier applications, Macrocell (driver stage) and Microcell (final stage).
Parametrics
BGF1901-10 absolute maximum ratings: (1)DC supply voltage: 30 V; (2)input drive power: 100 mW; (3)load power: 15 W; (4)storage temperature: -30 to +100 °C; (5)operating mounting base temperature: -20 to +85 °C.
Features
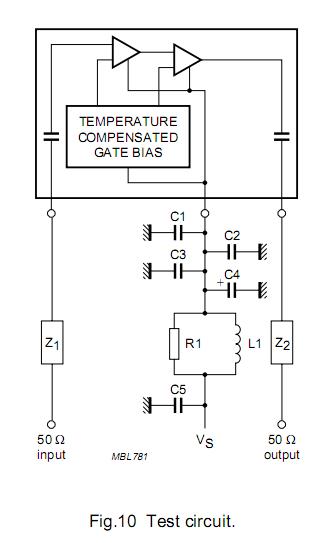
BGF1901-10 features: (1)Typical GSM EDGE performance at a supply voltage of 26 V: Output power = 3.5 W, Gain = 26.5 dB, Efficiency = 19 %, ACPR < -63 dBc at 400 kHz, rms EVM < 1.2 %, peak EVM < 3.6 %.; (2)Low distortion to a CDMA signal; (3)Excellent 2-tone performance; (4)Low die temperature due to copper flange; (5)Integrated temperature compensated bias; (6)50Ω input/output system; (7)Flat gain over frequency band.
Diagrams

| Image | Part No | Mfg | Description | ![]() |
Pricing (USD) |
Quantity | ||||
|---|---|---|---|---|---|---|---|---|---|---|
![]() |
![]() BGF1901-10 |
![]() Other |
![]() |
![]() Data Sheet |
![]() Negotiable |
|
||||
| Image | Part No | Mfg | Description | ![]() |
Pricing (USD) |
Quantity | ||||
![]() |
![]() BGF1901-10 |
![]() Other |
![]() |
![]() Data Sheet |
![]() Negotiable |
|
||||
(Hong Kong)









