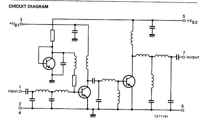
Product Summary
The bgy33 is a VHF power amplifer module. The bgy33 is designed for mobile communications equipments, operating directly from 12V vehicle electrical systems. The bgy33 will produce 18W output into 50Ω load. The bgy33 consists of a two stage RF amplifier using npn transistor chips, togather with lumped-element matching components.
Parametrics
bgy33 absolute maximum ratings: (1) DC supply terminals VB1 and VB2: 15V (max) ; (2) RF input terminal ±VI: 25V (max) ; (3) RF output terminal ±VO: 25V (max) ; (4) Input drive power PD: 200mW (max) ; (5) load power: 30W (max) ; (6) Storage temperature range Tstg: -40 to 100°C.
Features
bgy33 features: (1) load power VB1=VB2=12.5V; RS=RL=50Ω; PD=100mW; (2) IBQ1: 6mA; (3) IBQ2: 13mA; (4) PL: 18W.
Diagrams

(Hong Kong)






