Product Summary
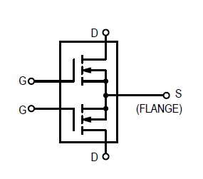
The mrf151 is an N-Channel Enhancement-Mode MOSFET designed for broadband commercial and military applications at frequencies to 175 MHz. The high power, high gain and broadband performance of the mrf151 makes possible solid state transmitters for FM broadcast or TV channel frequency bands.
Parametrics
Mmrf151 maximum ratings: (1)Drain Source Voltage VDSS: 125 Vdc; (2)Drain–Gate Voltage VDGO: 125 Vdc; (3)Gate Source Voltage VGS: ±40 Vdc; (4)Drain Current Continuous ID: 40 Adc; (5)Total Device Dissipation @ TC = 25℃ PD: 500 Watts; (6)Derate above 25℃: 2.85 W/℃; (7)Storage Temperature Range Tstg: -65 to +150 ℃; (8)Operating Junction Temperature TJ: 200 ℃.
Features
mrf151 features: (1)Guaranteed Performance at 175 MHz, 50 V: Output Power 300 W; Gain 14 dB (16 dB Typ); Efficiency 50%; (2)Low Thermal Resistance 0.35℃/W; (3)Ruggedness Tested at Rated Output Power; (4)Nitride Passivated Die for Enhanced Reliability.
Diagrams

| Image | Part No | Mfg | Description | ![]() |
Pricing (USD) |
Quantity | ||||||||||||||
|---|---|---|---|---|---|---|---|---|---|---|---|---|---|---|---|---|---|---|---|---|
![]() |
![]() MRF151 |
![]() M/A-COM Technology Solutions |
![]() Transistors RF MOSFET Power 5-175MHz 150Watts 50Volt Gain 18dB |
![]() Data Sheet |
![]()
|
|
||||||||||||||
![]() |
![]() MRF1511NT1 |
![]() Freescale Semiconductor |
![]() Transistors RF MOSFET Power RF LDMOS FET PLD1.5N |
![]() Data Sheet |
![]()
|
|
||||||||||||||
![]() |
![]() MRF1513NT1 |
![]() Freescale Semiconductor |
![]() Transistors RF MOSFET Power RF LDMOS FET PLD1.5 |
![]() Data Sheet |
![]()
|
|
||||||||||||||
![]() |
![]() MRF1513T1 |
![]() Other |
![]() |
![]() Data Sheet |
![]() Negotiable |
|
||||||||||||||
![]() |
![]() MRF1517NT1 |
![]() Freescale Semiconductor |
![]() Transistors RF MOSFET Power RF LDMOS FET PLD1.5N |
![]() Data Sheet |
![]()
|
|
||||||||||||||
![]() |
![]() MRF1517T1 |
![]() Other |
![]() |
![]() Data Sheet |
![]() Negotiable |
|
||||||||||||||
![]() |
![]() MRF1518NT1 |
![]() Freescale Semiconductor |
![]() Transistors RF MOSFET Power RF LDMOS FET PLD1.5N |
![]() Data Sheet |
![]()
|
|
||||||||||||||
![]() |
![]() MRF1518T1 |
![]() Other |
![]() |
![]() Data Sheet |
![]() Negotiable |
|
||||||||||||||
(Hong Kong)











