Product Summary
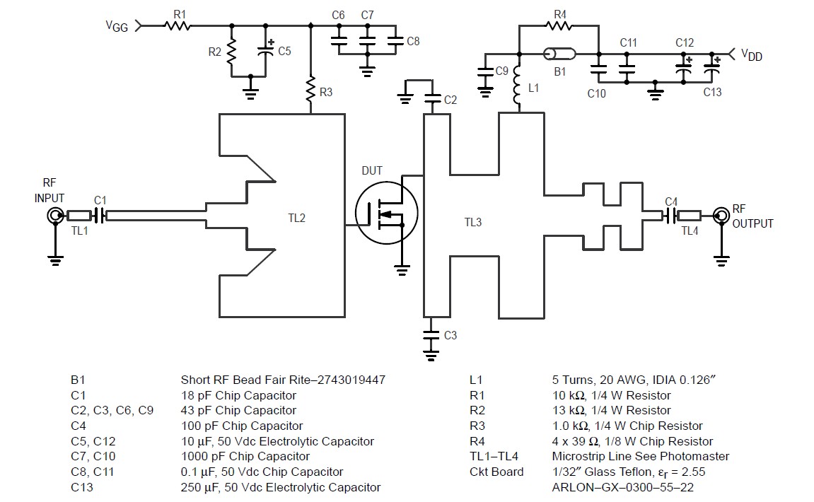
The mrf18030a is a lateral n-channel broadband rf power MOSFET. The mrf18030a is designed for broadband commercial and industrial applications at frequencies to 1.0 GHz. The high gain and broadband performance of the mrf18030a makes them ideal for large–signal, common source amplifier applications in 28 volt base station equipment.
Parametrics
mrf18030a absolute maximum ratings: (1)Drain–Source Voltage VDSS: 65 Vdc; (2)Gate–Source Voltage VGS: ±20 Vdc; (3)Drain Current Continuous ID: 7 Adc; (4)Total Device Dissipation @ TC = 70℃ PD: 118Watts; (5)Derate above 70℃: 0.9W/℃; (6)Storage Temperature Range Tstg: – 65 to +150 ℃; (7)Operating Junction Temperature TJ: 200 ℃.
Features
mrf18030a features: (1)Guaranteed Performance @ 945 MHz, 28 Volts. Output Power = 60 Watts. Power Gain = 11.5 dB. Efficiency = 53%; (2)Characterized with Series Equivalent Large Lignal Impedance Parameters; (3)S-Parameter Characterization at High Bias Levels; (4)Excellent Thermal Stability; (5)Capable of Handling 30:1 VSWR @ 28 Vdc, 945 MHz.
Diagrams

| Image | Part No | Mfg | Description | ![]() |
Pricing (USD) |
Quantity | ||||||
|---|---|---|---|---|---|---|---|---|---|---|---|---|
![]() |
![]() MRF18030ALSR3 |
![]() |
![]() IC MOSFET RF N-CHAN NI-400S |
![]() Data Sheet |
![]()
|
|
||||||
![]() |
![]() MRF18030ALSR5 |
![]() |
![]() IC MOSFET RF N-CHAN NI-400S |
![]() Data Sheet |
![]()
|
|
||||||
![]() |
![]() MRF18030ALR3 |
![]() Other |
![]() |
![]() Data Sheet |
![]() Negotiable |
|
||||||
(Hong Kong)









