Product Summary
The mrf21060 is a RF Power Field Effect Transistor. It is designed for W-CDMA base station applications with frequencies from 2110 to 2170 MHz.
Parametrics
mrf21060 absolute maximum ratings: (1)Drain-Source Voltage: -0.5Vdc to +65Vdc; (2)Gate-Source Voltage: -0.5Vdc to +15Vdc; (3)Storage Temperature Range: - 65℃ to +150℃; (4)Case Operating Temperature: 150℃; (5)Operating Junction Temperature: 200℃.
Features
mrf21060 features: (1)Internally Matched for Ease of Use; (2)High Gain, High Efficiency and High Linearity; (3)Integrated ESD Protection; (4)Designed for Maximum Gain and Insertion Phase Flatness; (5)Excellent Thermal Stability; (6)Characterized with Series Equivalent Large-Signal Impedance Parameters; (7)Low Gold Plating Thickness on Leads, 40μ″ Nominal; (8)RoHS Compliant; (9)In Tape and Reel. R3 Suffix = 250 Units per 32 mm, 13 Inch Reel.
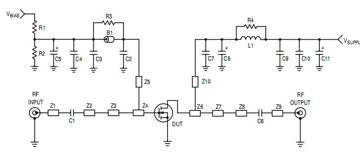
Diagrams

| Image | Part No | Mfg | Description | ![]() |
Pricing (USD) |
Quantity | ||||
|---|---|---|---|---|---|---|---|---|---|---|
![]() |
![]() MRF21060 |
![]() Other |
![]() |
![]() Data Sheet |
![]() Negotiable |
|
||||
![]() |
![]() MRF21060R3 |
![]() Other |
![]() |
![]() Data Sheet |
![]() Negotiable |
|
||||
![]() |
![]() MRF21060R5 |
![]() Other |
![]() |
![]() Data Sheet |
![]() Negotiable |
|
||||
![]() |
![]() MRF21060SR3 |
![]() Other |
![]() |
![]() Data Sheet |
![]() Negotiable |
|
||||
(Hong Kong)









