Product Summary
The mrf858 is an NPN silicon RF power transisitor designed for 24 Volt UHF large–signal, common emitter, class A linearamplifier applications in industrial and commercial equipment operating in therange of 800 – 960 MHz.
Parametrics
mrf858 absolute maximum ratings: (1)Collector–Emitter Voltage: VCEO 30 Vdc; (2)Collector–Base Voltage: VCBO 55 Vdc ; (3)Emitter–Base Voltage: VEBO 4 Vdc.
Features
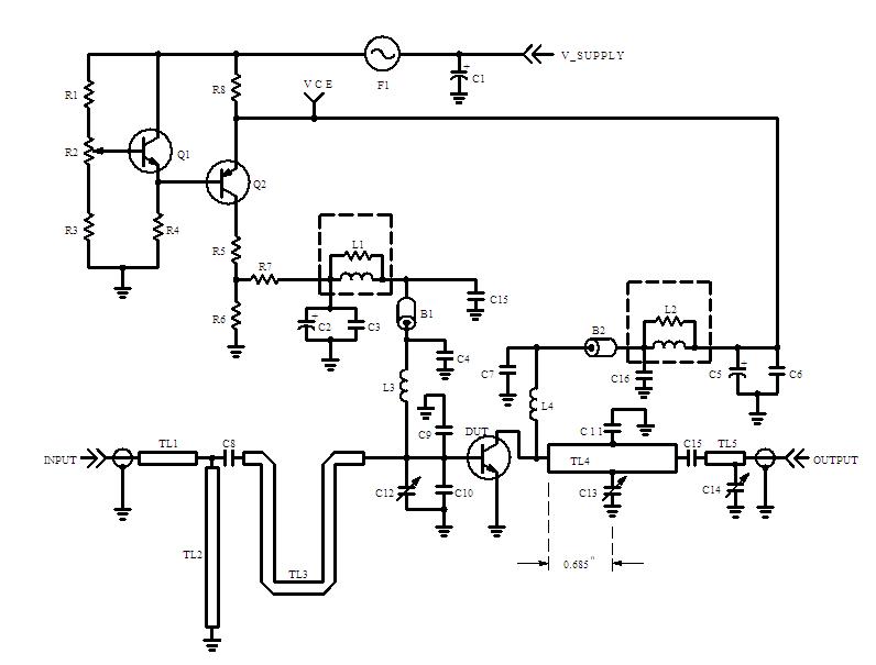
mrf858 features: (1)Specified for VCE = 24 Vdc, IC = 0.5 Adc Characteristics; (2)Output Power = 3.6 Watts CW; (3)Minimum Power Gain = 11 dB; (4)Minimum ITO = + 44.5 dBm; (5)Typical Noise Figure = 6 dB; (6)Characterized with Small–Signal S–Parameters and Series EquivalentLarge–Signal Parameters from 800– 960 MHz; (7)Silicon Nitride Passivated; (8)100% Tested for Load Mismatch Stress at All Phase Angles with 30:1 VSWR @ 24 Vdc, IC = 0.5 Adc and Rated Output Power; (9)Will Withstand RF Input Overdrive of 0.85 W CW; (10)Gold Metallized, Emitter Ballasted for Long Life and Resistance to MetalMigration; (11)Circuit board photomaster available upon request by contacting RF Tactical Marketing in Phoenix, AZ.
Diagrams

(Hong Kong)






