Product Summary
The mrf9135 is an N–Channel Enhancement–Mode Lateral MOSFET. Designed for broadband commercial and industrial applications with frequencies from 865 to 895 MHz. The high gain and broadband performance of these devices make them ideal for large–signal, common–source amplifier applications in 26 volt base station equipment.
Parametrics
mrf9135 absolute maximum ratings: (1)Drain–Source Voltage VDSS: 65 Vdc; (2)Gate–Source Voltage VGS: +15, –0.5 Vdc; (3)Total Device Dissipation PD 298W @ TC > = 25°C; 1.7 W/°C Derate above 25°C; (4)Storage Temperature Range Tstg: –65 to +200 °C; (5)Operating Junction Temperature TJ: 200 °C.
Features
mrf9135 features: (1)Internally Matched, for Ease of Use; (2)High Gain, High Efficiency and High Linearity; (3)Integrated ESD Protection; (4)Designed for Maximum Gain and Insertion Phase Flatness; (5)Capable of Handling 10:1 VSWR, @ 26 Vdc, 880 MHz, 135 Watts CW Output Power; (6)Excellent Thermal Stability; (7)Characterized with Series Equivalent Large–Signal Impedance Parameters; (8)Available in Tape and Reel. R3 Suffix = 250 Units per 32 mm, 13 inch Reel; (9)Available with Low Gold Plating Thickness on Leads. L Suffix Indicates 40μ″ Nominal.
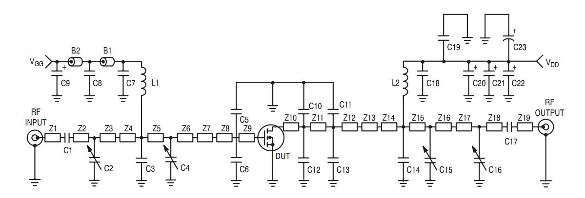
Diagrams

| Image | Part No | Mfg | Description | ![]() |
Pricing (USD) |
Quantity | ||||
|---|---|---|---|---|---|---|---|---|---|---|
![]() |
![]() MRF9135LR5 |
![]() Freescale Semiconductor |
![]() Transistors RF MOSFET Power 135W 900MHZ LDMOS NI780L |
![]() Data Sheet |
![]() Negotiable |
|
||||
![]() |
![]() MRF9135LSR3 |
![]() Freescale Semiconductor |
![]() Transistors RF MOSFET Power RF PWR LDMOS NI780LS |
![]() Data Sheet |
![]() Negotiable |
|
||||
![]() |
![]() MRF9135LSR5 |
![]() Freescale Semiconductor |
![]() Transistors RF MOSFET Power RF PWR LDMOS NI780LS |
![]() Data Sheet |
![]() Negotiable |
|
||||
![]() |
![]() MRF9135LR3 |
![]() Freescale Semiconductor |
![]() Transistors RF MOSFET Power RF PWR LDMOS NI-780L |
![]() Data Sheet |
![]() Negotiable |
|
||||
![]() |
![]() MRF9135L |
![]() Other |
![]() |
![]() Data Sheet |
![]() Negotiable |
|
||||
(Hong Kong)










