Product Summary
The tim5964--4 is a microwave power GaAs FET.
Parametrics
tim5964--4 absolute maximum ratings: (1)Drain-Source Voltage VDS: 15V; (2)Gate-Source Voltage VGS: -5V; (3)Drain Current IDS: 10A; (4)Total Power Dissipation (Tc= 25 °C)PT: 62.5W; (5)Channel Temperature Tch: 175°C; (6)Storage Temperature Tstg: -65 to +175°C.
Features
tim5964--4 features: (1)high gain: G1dB=10.0dB at 5.9GHz to 6.4GHz; (3)high power: P1dB=41.5dBm at 5.9GHz to 6.4GHz; (4)broad band internally matched fet; (5)hermetically sealed package.
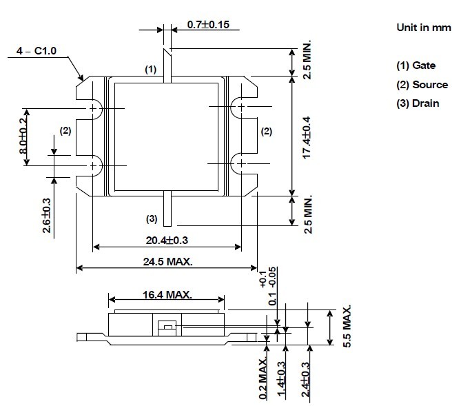
Diagrams

(Hong Kong)






